Alle Produkte
-
Differenzdruck-Manometer
-
digitales Manometer
-
Edelstahl-Manometer
-
Präzisions-Druckgeber
-
Programmierbarer Logik-Prüfer
-
Floss-Niveauschalter
-
Elektropneumatisches Ventil-Stellwerk
-
Temperaturgeber-Sensor
-
Hart Field Communicator
-
Magnetventil
-
Regelventile
-
Hohe Genauigkeits-Strömungsmesser
-
versenkbare Wasserpumpe
-
Druckgeber-Vielfältigkeit
-
Waagerecht ausgerichtetes mit Ultraschallmeter
-
Strom-Spannungs-Stromzähler
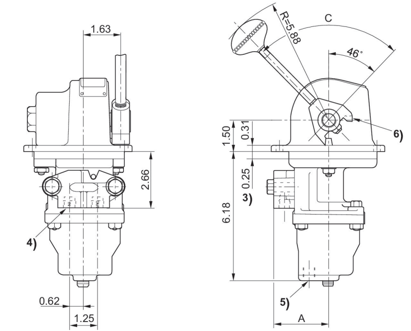
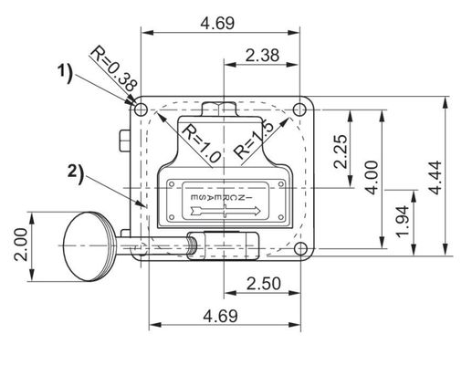
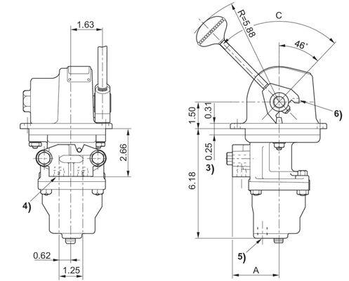
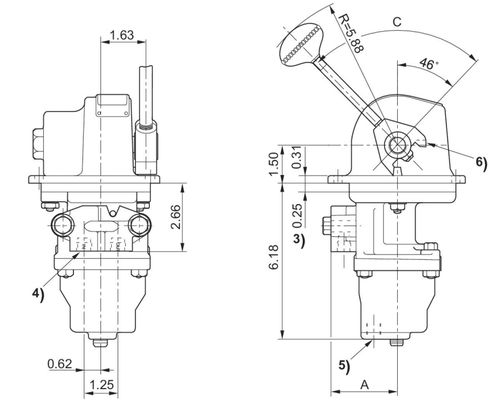
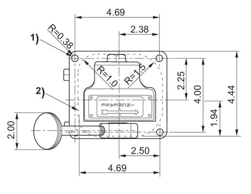
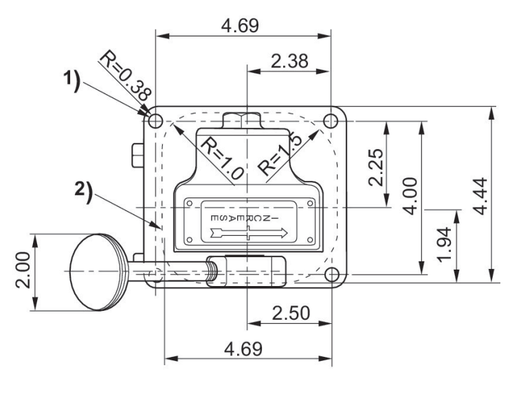
Rexroth AVENTICS R431007252 Poppet valve
Produktdetails
| Typ | Pubpet Ventil | Betätigungselement | Hebel |
|---|---|---|---|
| Druckluftanschlusseingang | 1/4 npt | Ausgang mit Druckluftanschluss | Interner Thread |
| Arbeitsdruck Min. | 0,1 Stange | Arbeitsdruck max | 14 bar |
| Regelbereich min. | 0,1 Stange | Regelbereich max. | Stange 8,6 |
| Medium | Druckluft | Gewicht | 2,5 kg |
| Hervorheben | Rexroth AVENTICS poppet valve,R431007252 control valve,industrial poppet valve with warranty |
||
Produkt-Beschreibung
Rexroth AVENTICS R431007252 Poppet valve
![]()
Empfohlene Produkte


